Porady, problemy, opinie związanie z silnikami i ogólnie napędem wysokoprężnym.
Moderator: piotii
przez radint » 18 kwi 2013, o 18:26
A zmuliło Tobie auto? Nie jest to czasami popularne uszkodzenia klap zawirowujących w dolocie? Podobno często się uszkadzają.
-
radint
- Starszy klubowicz
-
- Posty: 390
- Dołączył(a): 2 sie 2012, o 16:41
- Silnik: 1.7 CDTI Z17DTJ
przez janusz04065 » 21 kwi 2013, o 12:21
Witam koledzy jest niedziela 21.04 wsiadam do mojej astry zapalam odjeżdżam po przejechaniu kilku km zapala się kontrolka z kluczykiem i ani myśli zgasnąć . Po przyjechaniu z trasy sprawdziłem kod błędu pedał gaz 018005 to jest napęd silnik - czujnik temp paliwa pon długim szukaniu znalazłem przyczynę poluzowała wtyczka przy filtrze paliwa ta szeroka . Pozdrawiam
-
janusz04065
- Klubowicz
-
- Posty: 180
- Dołączył(a): 23 lut 2013, o 20:14
- Silnik: 1.3 CDTI Z13DTH
przez t__d » 22 kwi 2013, o 20:31
janusz04065 napisał(a):Witam koledzy jest niedziela 21.04 wsiadam do mojej astry zapalam odjeżdżam po przejechaniu kilku km zapala się kontrolka z kluczykiem i ani myśli zgasnąć . Po przyjechaniu z trasy sprawdziłem kod błędu pedał gaz 018005 to jest napęd silnik - czujnik temp paliwa pon długim szukaniu znalazłem przyczynę poluzowała wtyczka przy filtrze paliwa ta szeroka . Pozdrawiam
Czyli potwierdza się to co napisałem wcześniej. Kontrolka z kluczykiem może pojawić się z wielu powodów.
-

t__d
- Kierowca
-
- Posty: 25
- Dołączył(a): 18 lut 2013, o 19:59
- Silnik: 1.7 CDTI Z17DTH
-
iziza23
- Kierowca
-
- Posty: 12
- Dołączył(a): 22 maja 2013, o 09:45
- Silnik: 1.9 CDTI Z19DTH
przez t__d » 12 cze 2014, o 13:24
Zastanawia mnie ten błąd P0124 turbo/super charger overboost condition lub P0234. Poszedłem krok dalej i wymieniłem czujnik podciśnienia i elektrozawór od podciśnienia. Pierwsza jazda pod górkę i niestety znowu wyskakuje "kluczyk", silnik traci moc. Może jest coś nie tak z przewodami ? Czy ktoś wie jakie tam powinny być napięcia ? I ciekawe jest to dlaczego jeżdżąc na wyższych obrotach "kluczyk" wyskakuje z mniejszą częstotliwością.
-

t__d
- Kierowca
-
- Posty: 25
- Dołączył(a): 18 lut 2013, o 19:59
- Silnik: 1.7 CDTI Z17DTH
przez rostex » 13 cze 2014, o 08:01
Napięcie zasilania elektrozaworu sterującego pracą turbosprężarki to 12V. Można do wtyku podłączyć żarówkę, powinna świecić.
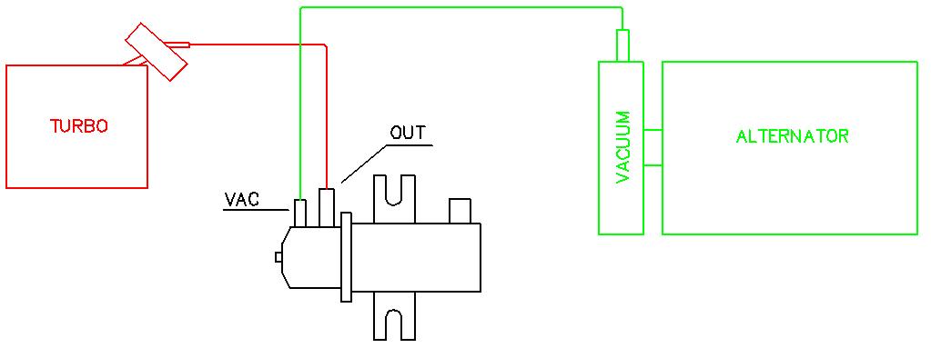
Sprawdź dokładnie podłączenie podciśnień, tam często dochodzi do pomyłek, bo przewody są podłączone krzyżowo, tzn. przewód biegnący do turbo jest podpięty z prawej strony elektrozaworu na OUT (większa średnica króćca), a przewód biegnący do alternatora/pompy VACUUM jest podpięty z lewej strony elektrozaworu na VAC (mniejsza średnica króćca). Wtyczka elektryczna elektrozaworu musi być zabezpieczona zapięciem z drutu, aby zapobiec samoistnemu rozłączeniu.

- vacuum_z17dth.JPG (26.63 KiB) Przeglądane 56218 razy
https://t.me/pump_upp
-
rostex
- Klubowicz
-
- Posty: 78
- Dołączył(a): 19 lis 2013, o 15:28
przez t__d » 14 cze 2014, o 09:55
Elektrycznie wszystko wydaje sie ok. Nie jestem mechanikiem więc proszę się nie śmiać jeżeli to pytanie jest głupie ale czy jest możliwe że katalizator jest zapchany i to ma wpływ na pracę turbiny przez co wyskakuje błąd P0234 o przeładowaniu turbiny ? I pytanie drugie czy w silniku diesla da się go jakoś oczyścić np. jadąc na wyższych obrotach . Pytam ponieważ jak wcześniej pisałem jazda na większych obrotach powoduje, że "kluczyk" pojawia się rzadziej.
-

t__d
- Kierowca
-
- Posty: 25
- Dołączył(a): 18 lut 2013, o 19:59
- Silnik: 1.7 CDTI Z17DTH
przez mateusz » 14 cze 2014, o 12:17
katalizator i DPF mozna przeczyscic jakims srodkiem chemicznym.
-

mateusz
- Weteran
-
- Posty: 549
- Dołączył(a): 20 cze 2013, o 13:54
- Lokalizacja: OPR Głogówek
- Silnik: 1.9 CDTI Z19DT
przez t__d » 14 cze 2014, o 19:01
Na szczęście moja wersja nie ma jeszcze DPF-a. Ale pierwszy raz słyszę, że katalizator można czyścić płynem. Jak się taki płyn nazywa i jak go używać ?
-

t__d
- Kierowca
-
- Posty: 25
- Dołączył(a): 18 lut 2013, o 19:59
- Silnik: 1.7 CDTI Z17DTH
przez janusz04065 » 15 cze 2014, o 11:07
Panowie kiedy wam gaśnie ta kontrolka z kluczykiem kiedy wszystko jest OK.( Robiłem remont skrzyni biegów w tych dniach opiszę tę kwestie pózniej jak ochłonę trochę z tego remontu). Przed remontem gasła u mnie po zapaleniu silnika tak mi się wydaje -bo teraz gaśnie 3-4 sek po włączeniu zapłonu kasowaliśmy jakieś błędy z kompa czy jest możliwe że zostało skasowane coś w ustawieniach że teraz gaśnie przed zapaleniem .
-
janusz04065
- Klubowicz
-
- Posty: 180
- Dołączył(a): 23 lut 2013, o 20:14
- Silnik: 1.3 CDTI Z13DTH
Powrót do Napęd, silniki diesla
Kto przegląda forum
Użytkownicy przeglądający ten dział: Brak zidentyfikowanych użytkowników i 1 gość